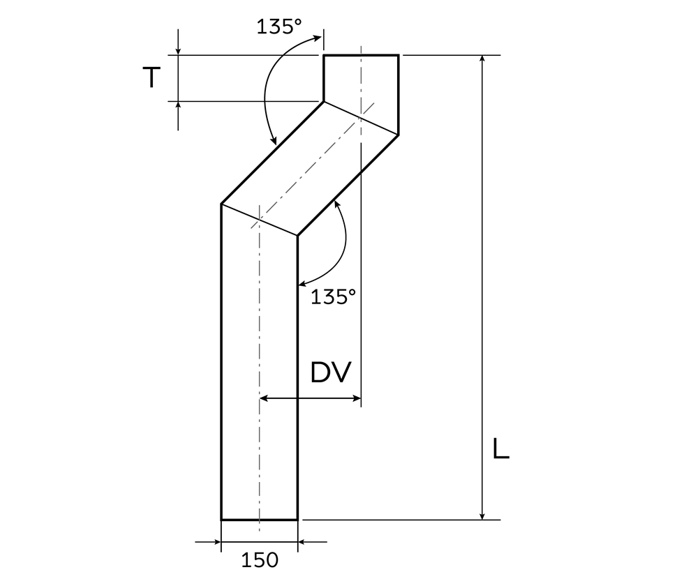
BUSE DEVOYEE D150 SUR MESURE

https://cheminees.odoo.com/web/image/product.template/141941/image_1920?unique=33e135b

662,20 € 662.2 EUR 662,20 €

602,00 €

Not Available For Sale

Cette combinaison n'existe pas.

Conditions générales
Garantie satisfait ou remboursé de 30 jours
Expédition : 2-3 jours ouvrables